DTCA230-22V2
高分辨率镜头
下载
download
申请报价
产品参数
产品图纸
相关应用
产品参数
data
基本参数
放大倍率 β(x)
0.5
物方工作距 WD(mm)
65±1
支持 CCD 尺寸 (Φmm)
11(2/3")
像方 F/#
5
物方远心度 (° max)
<0.1
像方畸变 (%)
<0.1
物方景深DoF (mm)
±0.8@F5.0
相机接口
C
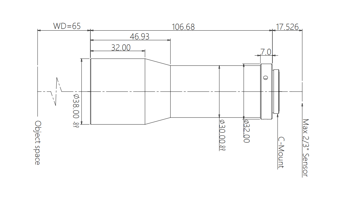
镜头总长 (mm)
106.7
是否同轴光
是否可调光栏
物像距 I/O(mm)
189±1
像方 MTF30(lp/mm)
>160
物方视场 FOV(Φmm)
22
净重(kg)
0.2
视野范围(mm × mm)
1/1.8" EV76C570 (7.2x5.4)
14.4x10.8
1/1.7" IMX226 (7.5x5.6)
15.0x11.2
2/3" IMX250/264 (8.45x7.1)
16.9x14.2
产品图纸
drawing

结构图

相关应用
application