WWH20-110ATV3
高分辨率镜头
下载
download
申请报价
产品参数
产品图纸
相关应用
产品参数
data
基本参数
放大倍率 β(x)
2
物方工作距 WD(mm)
110±2
支持 CCD 尺寸 (Φmm)
11(2/3")
像方 F/#
12.2
物方远心度 (° max)
<0.1
像方畸变 (%)
<0.1
数值孔径 NA
0.0815
物方分辨率 (um)
4.1
物方景深DoF (mm)
0.2
相机接口
C
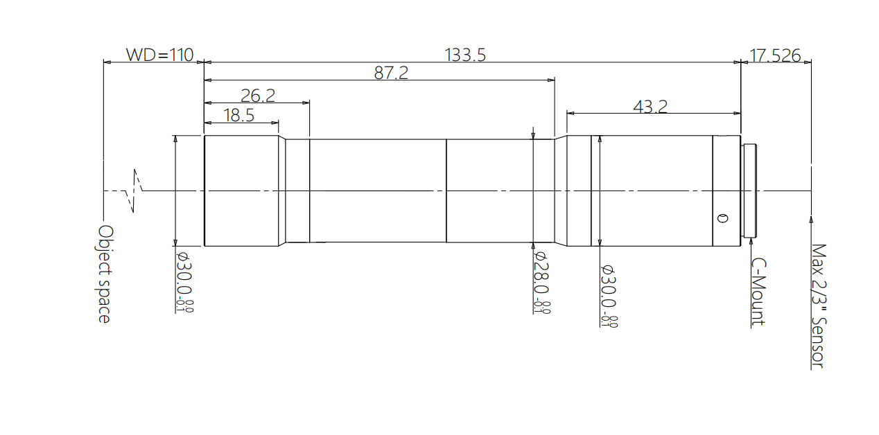
镜头总长 (mm)
133.5
是否同轴光
是否可调光栏
视野范围(mm × mm)
1/2"(6.4x4.8)
3.2x2.4
1/1.8"(7.13x5.37)
3.6x2.7
2/3"(8.45×7.1)
4.2x3.6
产品图纸
drawing

结构图

相关应用
application