WWK033-180-111
高分辨率镜头
申请报价
产品参数
产品图纸
相关应用
产品参数
data
基本参数
放大倍率 β(x)
0.33
物方工作距 WD(mm)
180
支持 CCD 尺寸 (Φmm)
18.0(1.1")
像方 F/#
6
数值孔径 NA
0.0276
物方分辨率 (um)
12.2
物方景深DoF (mm)
4.4
相机接口
C
镜头总长 (mm)
64.0
像方 MTF30(lp/mm)
151
焦距 (mm)
55.24
视野范围(mm × mm)
1.1" IMX253 (14.19x10.38)
43x31.5
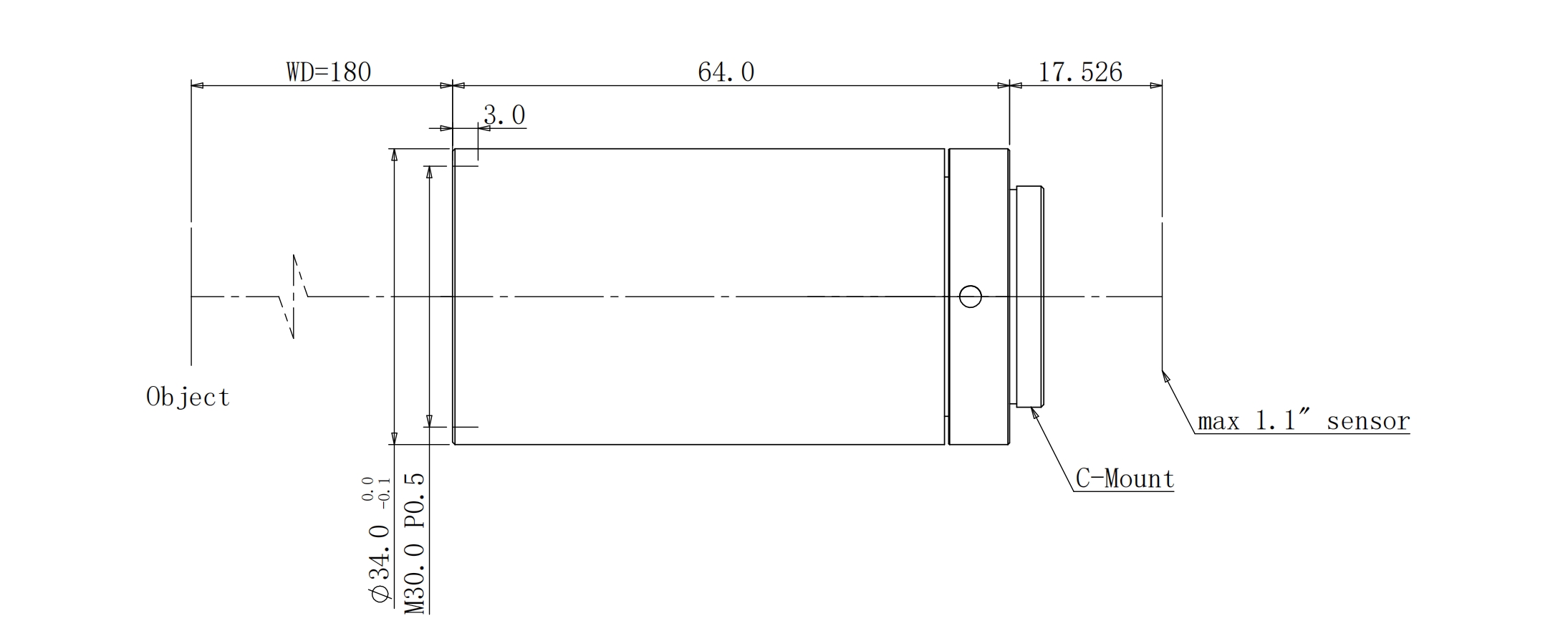
产品图纸
drawing

结构图

相关应用
application