DTCA24K-58.7-G-M95-AL
最高支持88mm/24K靶面相机
申请报价
产品参数
产品图纸
相关应用
产品参数
data
基本参数
支持CCD尺寸(Φmm)
88(24K)
物方视场FOV(Φmm)
58.7
放大倍率β(x)
1.499
物方工作距WD(mm)
122±2
像方F/#
7.3-32
物方景深DOF(mm)
0.3-1.1
像方畸变(% max)
0.05
物方远心度(° max)
0.1
物像距I/O(mm)
615±2
镜头总长(mm)
481.3
镜头接口
M95
像方MTF30(lp/mm)
117-31
视野范围(mmxmm)
4.2" IMX411(53.42x40.01, 3.76μm)
35.6x26.7
24K(84, 3.5μm)
56.0
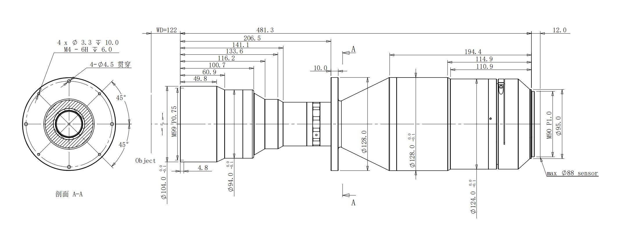
产品图纸
drawing

结构图

相关应用
application