DTCM35FH-90-M58-AL
最高支持35mm Full靶面相机
申请报价
产品参数
产品图纸
相关应用
产品参数
data
基本参数
支持CCD尺寸(Φmm)
43.6(35mm Full)
物方视场FOV(Φmm)
90
放大倍率β(x)
0.484
物方工作距WD(mm)
208±3
像方F/#
11.4
物方景深DOF(mm)
±3.4@F20
像方畸变(% max)
<0.1
物方远心度(° max)
<0.1
物像距I/O(mm)
561±3
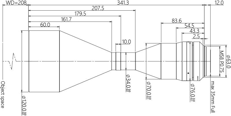
镜头总长(mm)
341.3
镜头接口
M58
净重(KG)
2.4
像方MTF30(lp/mm)
>75
视野范围(mmxmm)
CMV50000 (36.43x27.62)
75.3x57.1
KAI29050/2 (36.17x24.11)
74.7x49.8
KAI43142 (36.18x24.12)
74.8x49.8
产品图纸
drawing

结构图



相关应用
application