DTCM35FH-190H-M58-AL
最高支持35mm Full靶面相机
申请报价
产品参数
产品图纸
相关应用
产品参数
data
基本参数
支持CCD尺寸(Φmm)
43.6(35mm Full)
物方视场FOV(Φmm)
190
放大倍率β(x)
0.229
物方工作距WD(mm)
330±5
像方F/#
6.0
物方景深DOF(mm)
±8.4@F11
像方畸变(% max)
<0.1
物方远心度(° max)
<0.1
物像距I/O(mm)
880±5
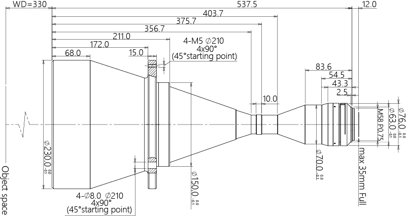
镜头总长(mm)
537.5
镜头接口
M58
净重(KG)
10.6
像方MTF30(lp/mm)
>135
视野范围(mmxmm)
CMV50000 (36.43x27.62)
159.1x120.6
KAI29050/2 (36.17x24.11)
157.9x105.3
KAI43142 (36.18x24.12)
158.0x105.3
产品图纸
drawing

结构图