DTCM35FH-150-M58-AL
最高支持35mm Full靶面相机
申请报价
产品参数
产品图纸
相关应用
产品参数
data
基本参数
支持CCD尺寸(Φmm)
43.6(35mm Full)
物方视场FOV(Φmm)
150
放大倍率β(x)
0.291
物方工作距WD(mm)
300±5
像方F/#
14.6
物方景深DOF(mm)
±9.3@F20
像方畸变(% max)
<0.1
物方远心度(° max)
<0.1
物像距I/O(mm)
760±5
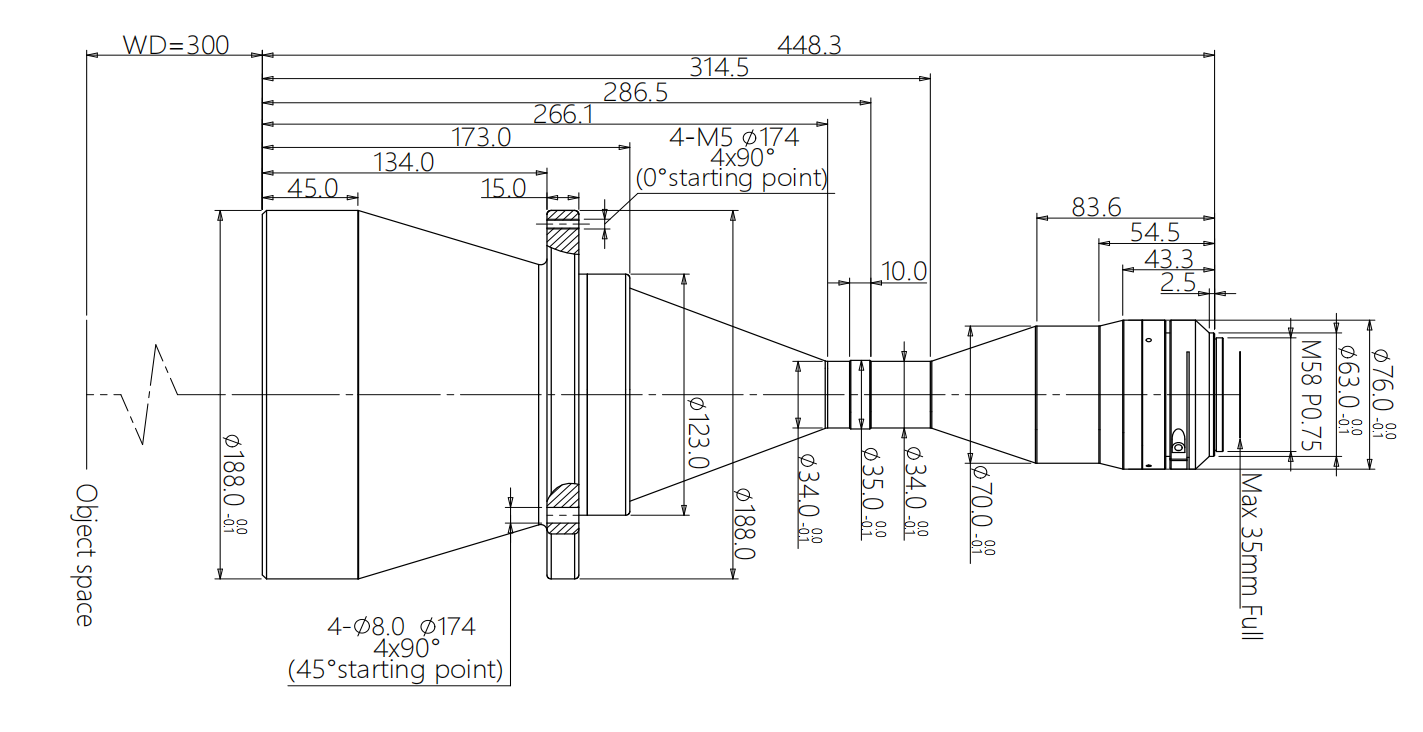
镜头总长(mm)
448.3
镜头接口
M58
净重(KG)
6.4
像方MTF30(lp/mm)
>63
视野范围(mmxmm)
CMV50000 (36.43x27.62)
125.2x94.9
KAI29050/2 (36.17x24.11)
124.3x82.9
KAI43142 (36.18x24.12)
124.3x82.9
产品图纸
drawing

结构图


相关应用
application