DTCM71M-80H-M58-AL
最高支持71Mp靶面相机
申请报价
产品参数
产品图纸
相关应用
产品参数
data
基本参数
支持CCD尺寸(Φmm)
39
物方视场FOV(Φmm)
80
放大倍率β(x)
0.488
物方工作距WD(mm)
228±4
像方F/#
6.6
物方景深DOF(mm)
±2.7@F16
像方畸变(% max)
<0.1
物方远心度(° max)
<0.1
物像距I/O(mm)
525±4
镜头总长(mm)
285.2
镜头接口
M58
净重(KG)
2.5
像方MTF30(lp/mm)
>130
视野范围(mmxmm)
CHR 70M (31.0x21.7)
63.5x44.5
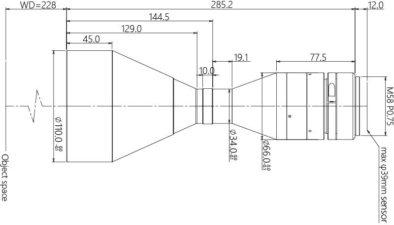
产品图纸
drawing

结构图




MTF曲线



相关应用
application