DTCM210-72-M58-AL
最高支持2‘’靶面相机
申请报价
产品参数
产品图纸
相关应用
产品参数
data
基本参数
支持CCD尺寸(Φmm)
33(2")
物方视场FOV(Φmm)
72
放大倍率β(x)
0.458
物方工作距WD(mm)
178±3
像方F/#
9.7
物方景深DOF(mm)
±3.8@F20
像方畸变(% max)
<0.1
物方远心度(° max)
<0.1
物像距I/O(mm)
469±3
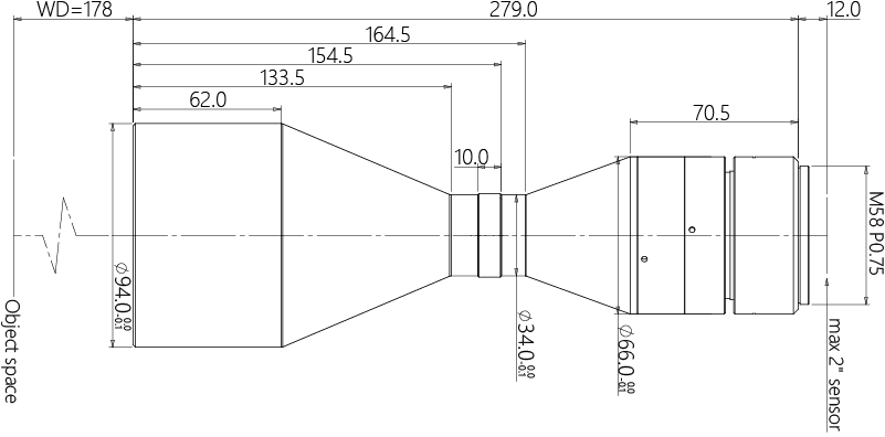
镜头总长(mm)
279.0
镜头接口
M58
净重(KG)
1.6
像方MTF30(lp/mm)
>90
视野范围(mmxmm)
2" DALSA 12M(24.58x18.43)
53.7x40.2
2" PYTHON 25K(23.04x23.04)
50.3x50.3
产品图纸
drawing

结构图




MTF曲线




相关应用
application