DTCM210-120H-M58-AL
最高支持2‘’靶面相机
申请报价
产品参数
产品图纸
相关应用
产品参数
data
基本参数
支持CCD尺寸(Φmm)
33(2")
物方视场FOV(Φmm)
120
放大倍率β(x)
0.275
物方工作距WD(mm)
273±5
像方F/#
7.8
物方景深DOF(mm)
±8.5@F16
像方畸变(% max)
<0.1
物方远心度(° max)
<0.1
物像距I/O(mm)
653±5
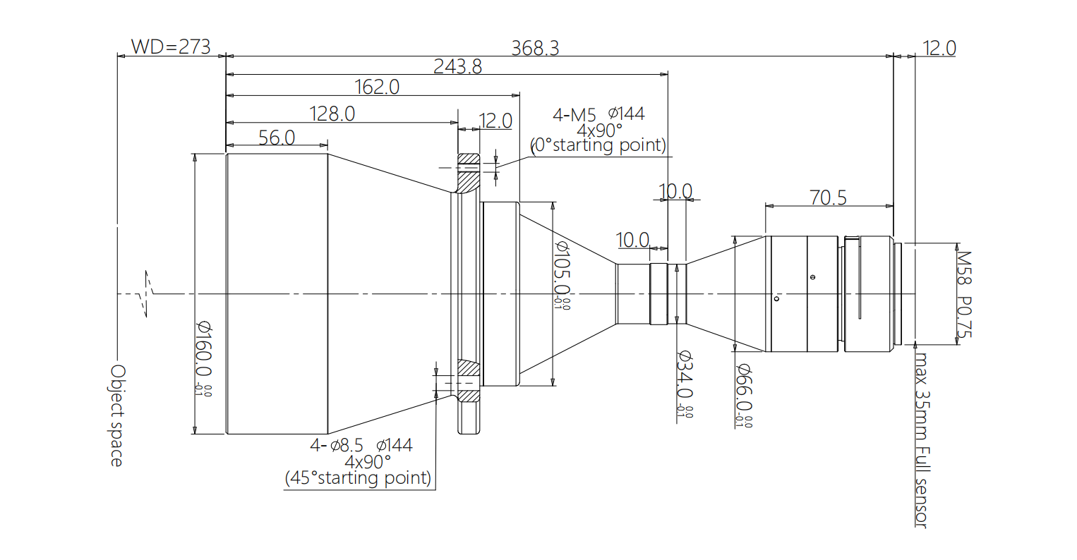
镜头总长(mm)
368.3
镜头接口
M58
净重(KG)
4.8
像方MTF30(lp/mm)
>115
视野范围(mmxmm)
2" DALSA 12M(24.58x18.43)
89.4x67.0
2" PYTHON 25K(23.04x23.04)
83.8x83.8
产品图纸
drawing

结构图




MTF曲线




相关应用
application