DTCM210-100H-M58-AL
最高支持2‘’靶面相机
申请报价
产品参数
产品图纸
相关应用
产品参数
data
基本参数
支持CCD尺寸(Φmm)
33(2")
物方视场FOV(Φmm)
100
放大倍率β(x)
0.33
物方工作距WD(mm)
238±4
像方F/#
7.8
物方景深DOF(mm)
5.9@F16
像方畸变(% max)
<0.1
物方远心度(° max)
<0.1
物像距I/O(mm)
597±4
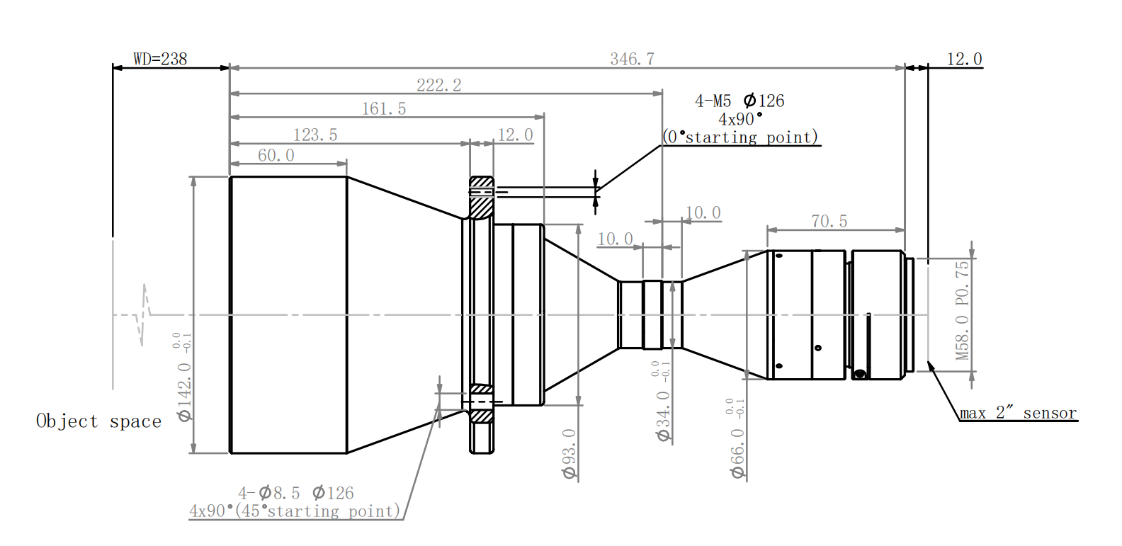
镜头总长(mm)
346.7
镜头接口
M58
净重(KG)
3.6
像方MTF30(lp/mm)
>118
视野范围(mmxmm)
2" DALSA 12M(24.58x18.43)
74.5x55.8
2" PYTHON 25K(23.04x23.04)
69.8x69.8
产品图纸
drawing

结构图


相关应用
application