DTCM111-90-ALF
最高支持1.1‘’靶面相机
申请报价
产品参数
产品图纸
相关应用
产品参数
data
基本参数
支持CCD尺寸(Φmm)
18.4(1.1")
物方视场FOV(Φmm)
90
放大倍率β(x)
0.204
物方工作距WD(mm)
208±3
像方F/#
6.2
物方景深DOF(mm)
±10.5@F11
像方畸变(% max)
<0.1
物方远心度(° max)
<0.1
物像距I/O(mm)
472±3
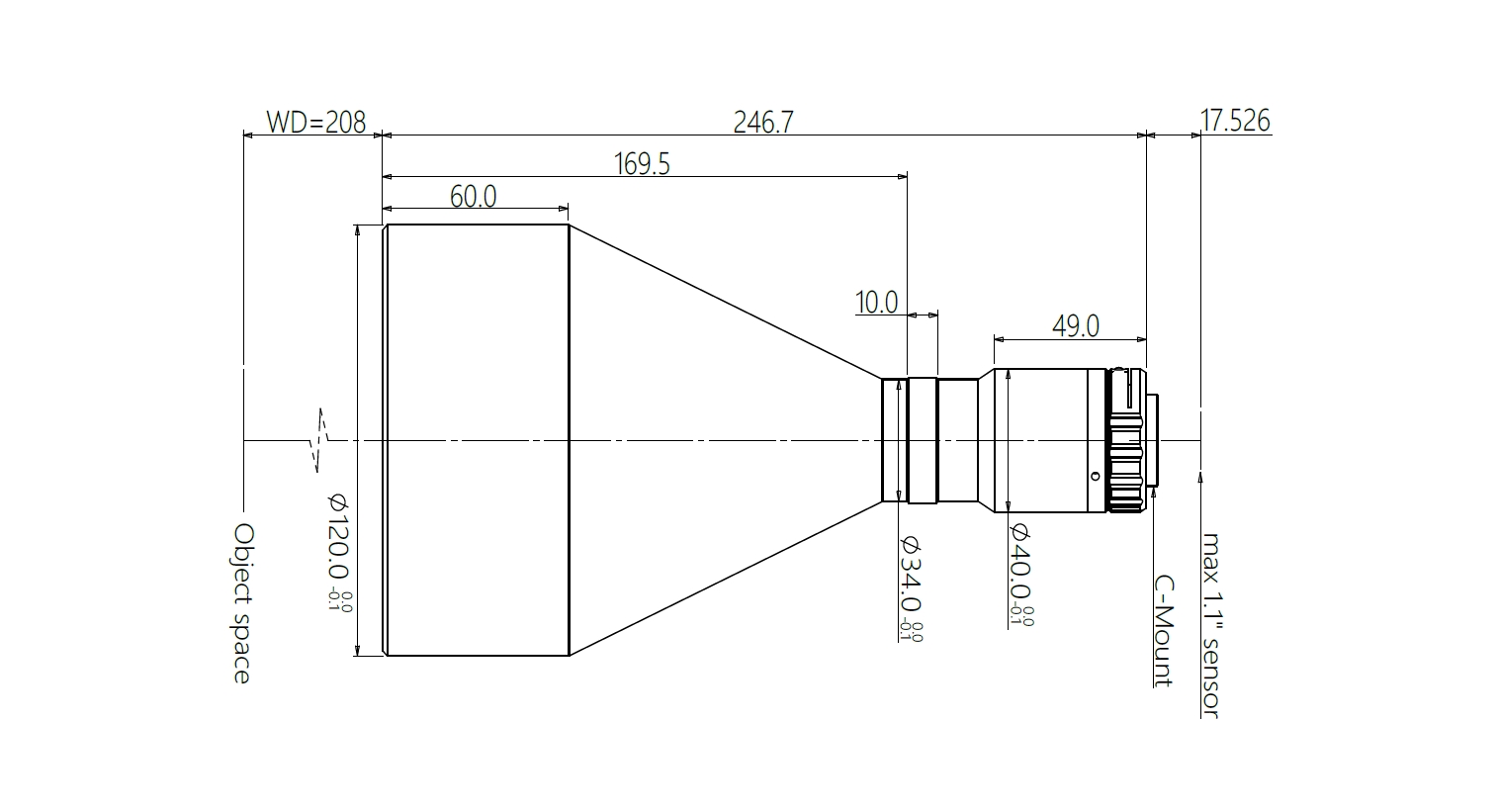
镜头总长(mm)
246.7
镜头接口
C
净重(KG)
1.8
像方MTF30(lp/mm)
>145
视野范围 (mmxmm)
1" IMX183 (13.13x8.76)
64.4x42.9
1.1" IMX253 (14.19x10.38)
69.6x50.9
产品图纸
drawing

结构图:

相关应用
application