DTCM111-72-AL
最高支持1.1‘’靶面相机
申请报价
产品参数
产品图纸
相关应用
产品参数
data
基本参数
支持CCD尺寸(Φmm)
18.4(1.1")
物方视场FOV(Φmm)
72
放大倍率β(x)
0.256
物方工作距WD(mm)
178±3
像方F/#
6.2
物方景深DOF(mm)
±6.7@F11
像方畸变(% max)
<0.1
物方远心度(° max)
<0.1
物像距I/O(mm)
417±3
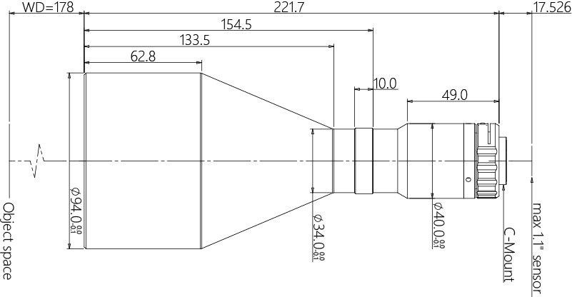
镜头总长(mm)
221.7
镜头接口
C
净重(KG)
1.2
像方MTF30(lp/mm)
>145
视野范围 (mmxmm)
1" IMX183 (13.13x8.76)
51.3x34.2
1.1" IMX253 (14.19x10.38)
55.4x40.5
产品图纸
drawing

结构图




MTF曲线



相关应用
application