DTCM230-110-AL
最高支持2/3‘’靶面相机
申请报价
产品参数
产品图纸
相关应用
产品参数
data
基本参数
支持CCD尺寸(Φmm)
11.4(2/3")
物方视场FOV(Φmm)
110
放大倍率β(x)
0.104
物方工作距WD(mm)
263±4
像方F/#
4.9
物方景深DOF(mm)
±40.7@F11
像方畸变(% max)
<0.1
物方远心度(° max)
<0.1
物像距I/O(mm)
550±4
镜头总长(mm)
269.6
镜头接口
C
净重(KG)
2.7
像方MTF30(lp/mm)
>190
视野范围 (mmxmm)
1/1.8" EV76C570 (7.2x5.4)
69.2x51.9
1/1.7" IMX226 (7.5x5.6)
72.1x53.8
2/3" IMX250/264 (8.45x7.1)
81.3x68.3
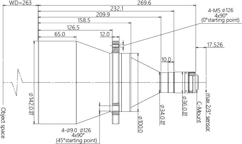
产品图纸
drawing

结构图




MTF曲线



相关应用
application