DTCM118-100H-AL
最高支持1/1.8‘’靶面相机
申请报价
产品参数
产品图纸
相关应用
产品参数
data
基本参数
支持CCD尺寸(Φmm)
9.0(1/1.8")
物方视场FOV(Φmm)
100
放大倍率β(x)
0.09
物方工作距WD(mm)
238±4
像方F/#
4.6
物方景深DOF(mm)
±54.3@F11
像方畸变(% max)
<0.1
物方远心度(° max)
<0.1
物像距I/O(mm)
506±4
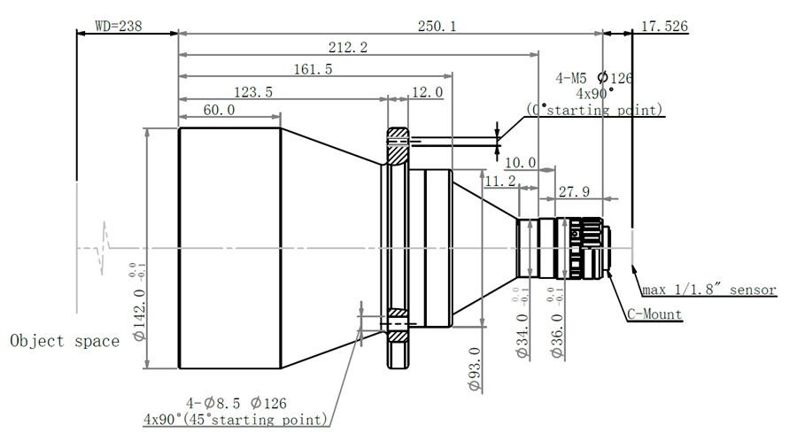
镜头总长(mm)
250.1
镜头接口
C
净重(KG)
3.1
像方MTF30(lp/mm)
>200
视野范围 (mmxmm)
1/1.8" IMX178 (7.43x4.9)
82.6x54.4
1/1.8" IMX252/265 (7.1x5.3)
78.9x58.9
产品图纸
drawing

结构图


相关应用
application