WWK03-110-230
工作距110mm
申请报价
产品参数
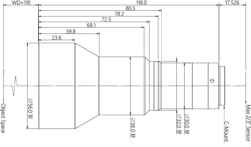
产品图纸
相关应用
产品参数
data
基本参数
支持CCD尺寸(Φmm)
11.0(2/3")
放大倍率β(x)
0.3
物方工作距WD(mm)
110±2
像方F/#
6
像方MTF30(lp/mm)
>170
物方景深DOF(mm)
±2.5@F5.6
像方畸变(% max)
<0.02
物方远心度(° max)
<0.04
镜头总长(mm)
118.0
镜头接口
C
是否同轴光
视野范围(mm x mm)
1/1.8" EV76C570(7.2x5.4)
24.0x18.0
1/1.7" IMX226 (7.5X5.6)
25.0x18.7
2/3" IMX250/264 (8.45x7.1)
28.2x23.7
产品图纸
drawing

结构图




相关应用
application