WWK15-110C-111
工作距110mm
申请报价
产品参数
产品图纸
相关应用
产品参数
data
基本参数
支持CCD尺寸(Φmm)
18.0(1.1")
放大倍率β(x)
1.5
物方工作距WD(mm)
110±2
像方F/#
10
像方MTF30(lp/mm)
>78
物方景深DOF(mm)
±0.18@F10
像方畸变(% max)
<0.1
物方远心度(° max)
<0.1
镜头总长(mm)
128.8
镜头接口
C
是否同轴光
视野范围(mm x mm)
1“ IMX183 (13.13x8.76)
8.8x5.8
1.1" IMX253 (14.19x10.38)
9.5x6.9
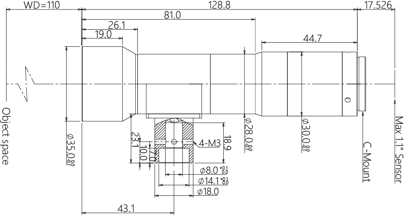
产品图纸
drawing

结构图




相关应用
application