WWK08-110-111V4-D25
工作距110mm
申请报价
产品参数
产品图纸
相关应用
产品参数
data
基本参数
支持CCD尺寸(Φmm)
18.0(1.1")
放大倍率β(x)
0.8
物方工作距WD(mm)
110±2
像方F/#
7.9
像方MTF30(lp/mm)
>85
物方景深DOF(mm)
2.0
像方畸变(% max)
<0.1
物方远心度(° max)
<0.1
镜头总长(mm)
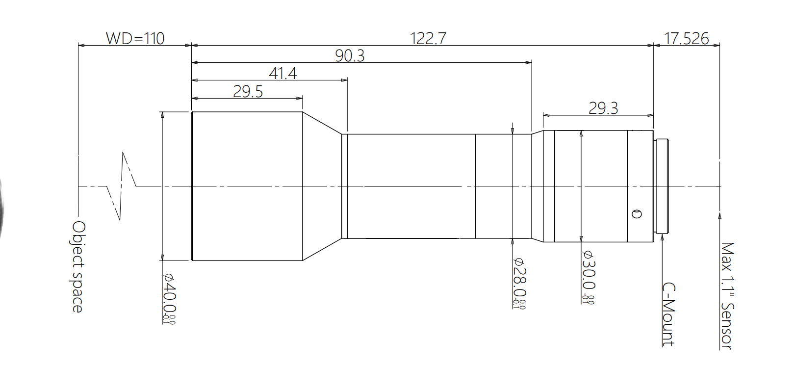
122.7
镜头接口
C
是否同轴光
视野范围(mm x mm)
1“ IMX183 (13.13x8.76)
16.4x11.0
1.1" IMX253 (14.19x10.38)
17.7x13.0
产品图纸
drawing

结构图

相关应用
application