DTCM71M-56-M58-AL
最高支持71Mp靶面相机
申请报价
产品参数
产品图纸
相关应用
产品参数
data
基本参数
支持CCD尺寸(Φmm)
39
物方视场FOV(Φmm)
56
放大倍率β(x)
0.696
物方工作距WD(mm)
138±3
像方F/#
13.1
物方景深DOF(mm)
±1.6@F20
像方畸变(% max)
<0.1
物方远心度(° max)
<0.1
物像距I/O(mm)
413±3
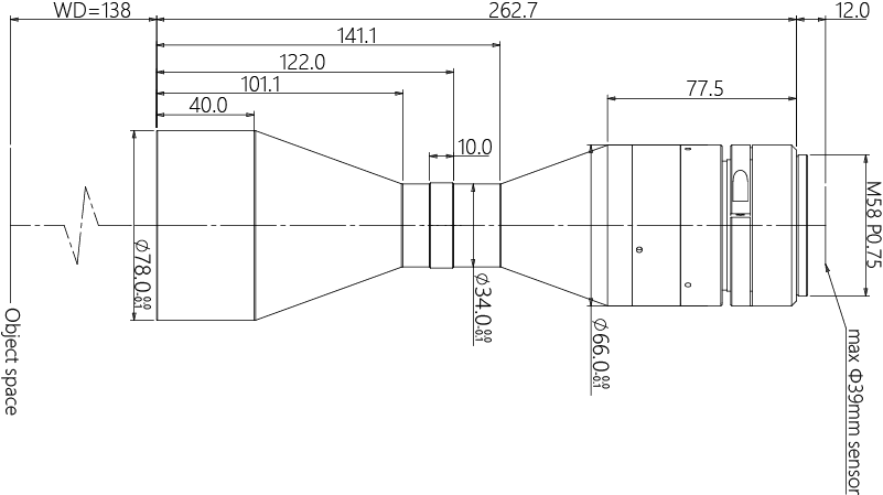
镜头总长(mm)
262.7
镜头接口
M58
净重(KG)
1.3
像方MTF30(lp/mm)
>65
视野范围(mmxmm)
CHR 70M (31.0x21.7)
44.5x31.2
产品图纸
drawing

结构图




MTF曲线



相关应用
application