DTCM71M-64H-M58-AL
最高支持71Mp靶面相机
申请报价
产品参数
产品图纸
相关应用
产品参数
data
基本参数
支持CCD尺寸(Φmm)
39
物方视场FOV(Φmm)
64
放大倍率β(x)
0.609
物方工作距WD(mm)
158±3
像方F/#
11.5
物方景深DOF(mm)
±2.4@F22
像方畸变(% max)
<0.1
物方远心度(° max)
<0.1
物像距I/O(mm)
445±3
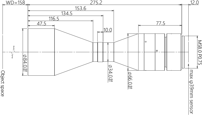
镜头总长(mm)
275.2
镜头接口
M58
净重(KG)
1.4
像方MTF30(lp/mm)
>70
视野范围(mmxmm)
CHR 70M (31.0x21.7)
50.9x35.6
产品图纸
drawing

结构图




MTF曲线



相关应用
application